总述
在工业自动化与高端电子设备升级浪潮中,承芯微电子 CD8605/8606/8608 系列运算放大器以 “高精度、低功耗、宽温适配” 破局市场。其 65μV 超低失调电压、1pA 输入偏置电流及 - 40℃~+125℃宽温性能,直击传统运放精度与功耗失衡、封装适配性不足等痛点。该系列通过单 / 双 / 四通道全封装矩阵(含 WLCSP 微型封装),为传感器调理、医疗设备、汽车电子等领域提供国产化精密信号链方案,填补高端运放国产技术空白。
一、市场需求与技术挑战:高精度运放迎来爆发期
随着工业自动化、医疗电子及新能源领域的技术升级,全球运算放大器市场正以年复合增长率12%快速扩张。据行业统计,2024年全球单通道运算放大器市场销售额已达到12.6亿美元,并预计将以5.2%的年复合增长率增长至2031年的17.55亿美元。中国作为电子制造业大国,其通用运算放大器市场规模在过去几年中保持稳定增长,并有望在2030年前达到新的高度,受益于通信、消费电子、工业自动化等领域的强劲需求。当前核心矛盾集中在三大维度:
精度与功耗的双重瓶颈:传统运放难以兼顾低失调电压(如 65μV 以下)与低静态电流(1mA / 通道以下),制约便携式设备与精密仪器的性能升级。
封装小型化与集成度矛盾:可穿戴设备要求超微型封装(如 WLCSP),而多通道系统又需要高密度集成,通用封装方案难以平衡。
尽管国内厂商在中低端市场已占据35%的份额,国产运算放大器在高端产品领域仍面临供给缺口。特别是在-40℃~+125℃宽温域、轨到轨输出等关键应用领域,国内产品与国际先进水平存在技术代差,高精度运算放大器依然依赖进口。
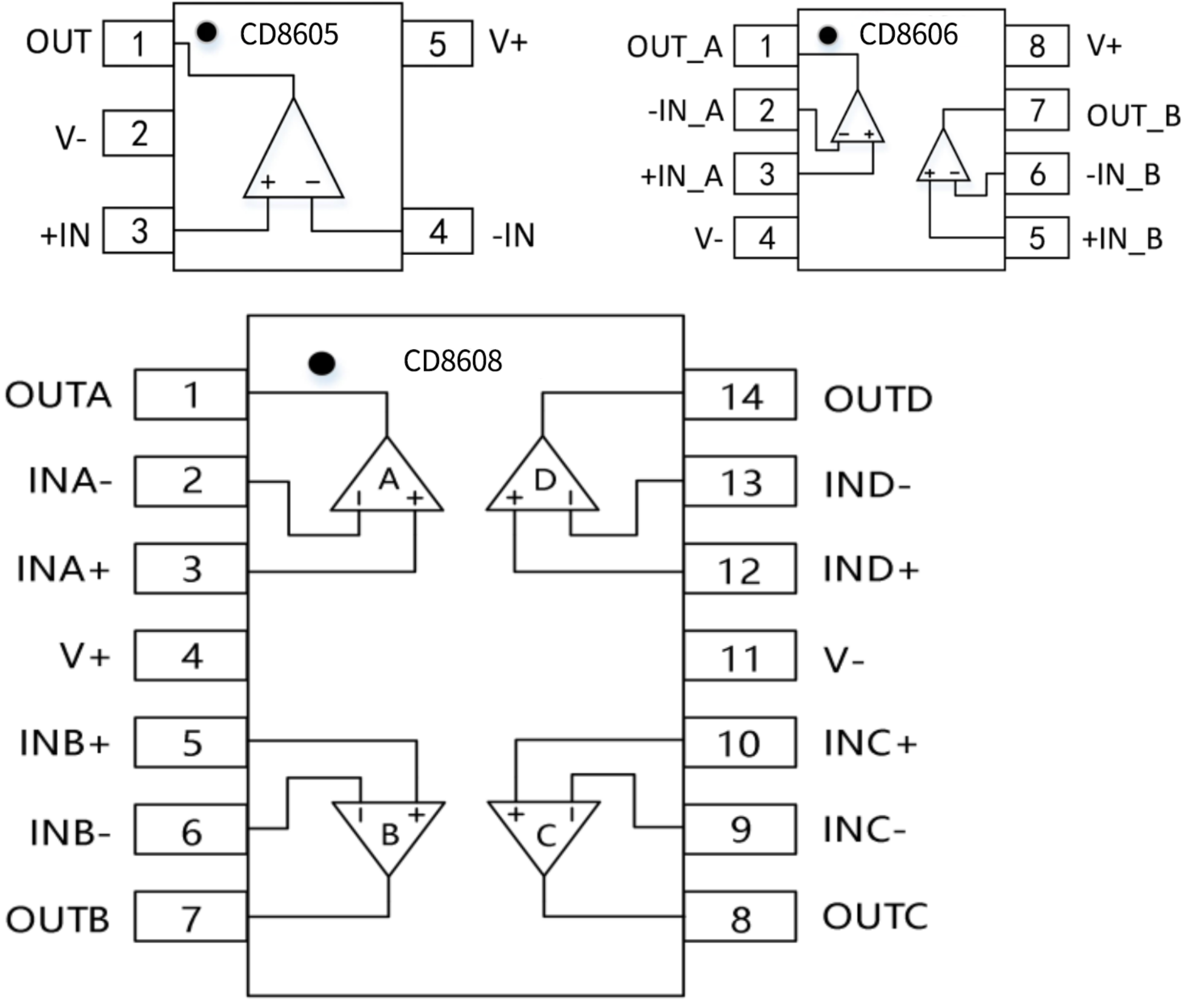
二、产品概述:高精度运算放大的国产化突破
承芯微电子推出的 CD8605/CD8606/CD8608 系列运算放大器,以 “超低失调、极低偏置电流、宽温稳定” 为核心优势,专为精密信号调理场景设计。该系列产品涵盖单通道(CD8605)、双通道(CD8606)及四通道(CD8608)配置,支持 SOT-23、MSOP、TSSOP 等多种封装形式,工作温度范围达 - 40℃~+125℃,满足工业级、医疗级等高端应用的可靠性需求。
1、核心技术特点:产品优势
l 低功耗:静态电流低,有助于节省能源,对于便携式设备和电池供电的应用非常有利。
l 高精度输出质量控制确保了信号发生器能够提供准确的放大和信号处理,保证输出信号的高精度和高质量。
l 宽输入电压范围:可以在较宽的电压范围内正常工作,增加了应用的灵活性。
l 良好的稳定性:在各种工作条件下都能保持稳定的性能,包括温度变化等。
l 封装多样:通常有多种封装形式可供选择,CD8605和CD8606支持WLCSP封装,方便集成到不同的电路中。
2、核心技术特点:高精度与适应性的完美平衡
2.1 . 直流精度:微弱信号放大的基石
低失调电压:最大 65μV(VS=3.5V,VCM=3V 时典型值 20μV),配合 1μV/℃的典型温漂(-40℃~+125℃),有效抑制传感器信号调理中的零点漂移问题。
超低输入偏置电流:最大 1pA(典型值 0.2pA),远低于传统运放,适合光电二极管、电容式传感器等高阻抗信号源,避免电流泄漏导致的测量误差。
高共模抑制比:100dB(VCM=0V 至 5V),减少工业环境中共模干扰对微弱信号的影响。
2.2 . 动态性能:带宽与低噪的双重保障
8.7MHz 增益带宽积(GBW):支持音频(20kHz 以下)、工业控制等中高频应用,5V/μs 的电压转换速率(SR)确保大信号输入时的低失真特性。
低噪声特性:1kHz 时电压噪声密度 12nV/√Hz(典型值 8nV/√Hz),电流噪声密度 0.01pA/√Hz,适配医疗心电信号、微弱声波采集等对噪声敏感的场景。
2.3 电源与接口:宽适配性设计
2.7V~5.5V 单电源供电:兼容锂电池(3.7V)与工业逻辑电源(5V),每通道典型功耗 0.8mA(IOUT=0mA),适合便携式设备。
轨至轨输入 / 输出:输入范围覆盖 0V 至电源电压,输出摆幅达 4.98V@5V 供电(1mA 负载),简化电平匹配设计,提升动态范围。
2.4 封装与选型:微型化与功能集成的优化
|
型号 |
通道数 |
封装类型 |
尺寸优势 |
应用参考 |
|
CD8605 |
单通道 |
SOT-23-5/WLCSP-5 |
SOT-23 约 2.9mm×2.8mm |
小型传感器前端、可穿戴设备 |
|
CD8606 |
双通道 |
MSOP-8/SOP-8/WLCSP-8 |
WLCSP-8 约 1.5mm×1.5mm |
立体声放大、差分信号采集 |
|
CD8608 |
四通道 |
TSSOP-14/SOP-14 |
TSSOP-14 约 5mm×6.4mm |
工业多通道控制、数据采集系统 |
2.5 可靠性设计:工业级标准的严苛验证
宽温工作能力:-40℃~+125℃工作温度范围,能够满足钢铁冶金、汽车电子等众多领域对极端环境的高要求,结温范围 - 65℃~+150℃,确保长期稳定运行。
热管理优化:SOT-23-5 封装热阻 240℃/W,MSOP-8 热阻 206℃/W,配合 300℃焊接温度 tolerance(60s),完美适配自动化焊接工艺。
电气保护:电源电压最大 6V,差分输入电压 6V,输入电压范围覆盖电源正负轨,有效防止在异常工况下器件受损。
三、应用场景:多领域精密信号处理
1. 传感器信号调理:在工业自动化控制系统中,CD8605,CD8606,CD8608 可用于放大来自各种传感器的信号,如压力传感器、温度传感器、位移传感器等。通过对传感器信号进行放大和调理,可以显著提升信号的精度与可靠性,便于后续的信号处理和分析。
2. 医疗设备及仪器仪表:在医疗设备中,如心电图机、血压计、血糖仪等,对测量精度和稳定性要求很高。CD8605,CD8606,CD8608可以用于这些设备的模拟前端电路,对采集到的生理信号进行放大和处理,确保测量结果的精准无误。
3. 汽车电子:在汽车电子领域,CD8605、CD8606及CD8608广泛应用于车载信息娱乐系统、汽车电子控制单元(ECU)及车载传感器等组件中。例如,在汽车的发动机控制系统中,该产品可以放大来自氧传感器、温度传感器等的信号,为发动机的控制提供准确的数据。
4. 通信设备:在通信设备中,如手机、基站、路由器等,CD8605,CD8606,CD8608可用于信号放大、滤波、调制解调等电路。其低噪声和高增益的特点有助于提高通信信号的质量和传输距离。
5. 消费电子:在消费电子产品领域,如智能手机、平板电脑及数码相机等,CD8605被用于音频放大、显示驱动以及传感器信号处理等多种电路中。其低功耗和高性能的特点能够满足消费电子产品对电池续航和用户体验的要求。
6. 工业控制及自动化:在工业控制系统中,CD8605、CD8606及CD8608负责模拟信号的采集、处理以及输出控制功能。例如,在可编程逻辑控制器(PLC)的输入输出模块中,使用 CD8605,CD8606,CD8608可以对外部信号进行放大,提高系统的可靠性和抗干扰能力。
