Summary
In the wave of industrial automation and high-end electronic equipment upgrades, CoreadDvices Microelectronics 'CD8605/8606/8608 series operational amplifiers have broken the market with their' high precision, low power consumption, and wide temperature range.' With a 65μV ultra-low offset voltage, 1pA input bias current, and a wide temperature range from-40℃ to +125℃, these amplifiers address the key issues of traditional operational amplifiers, such as imbalances in precision and power consumption, and inadequate packaging compatibility. This series offers single, dual, or quad-channel fully packaged matrices (including WLCSP micro-packaging), providing domestic precision signal chain solutions for sensor conditioning, medical devices, and automotive electronics, thus filling the gap in high-end operational amplifier technology in China.
1、Market demand and technical challenges: high precision op-amps usher in an explosion period
With the technological advancements in industrial automation, medical electronics, and new energy, the global operational amplifier market is expanding at a compound annual growth rate of 12%. According to industry statistics, the global single-channel operational amplifier market reached $1.26 billion in sales in 2024 and is projected to grow at a compound annual growth rate of 5.2% to reach $1.755 billion by 2031. As a major player in the electronics manufacturing industry, China has seen steady growth in its general operational amplifier market over the past few years and is expected to reach new heights by 2030, driven by strong demand from sectors such as telecommunications, consumer electronics, and industrial automation. The current core challenges are concentrated in three main areas:
The dual bottleneck of precision and power consumption: it is difficult for traditional operational amplifiers to take into account the low offset voltage (such as below 65μV) and low static current (below 1mA / channel), which restricts the performance upgrade of portable devices and precision instruments.
The contradiction between miniaturization and integration of packaging: wearable devices require ultra-miniature packaging (such as WLCSP), while multi-channel systems require high-density integration, which is difficult to balance with general packaging solutions.
Although domestic manufacturers have secured a 35% market share in the mid-to-low-end segment, there remains a supply gap for high-end products. Particularly in critical areas such as the-40℃ to +125℃ wide temperature range and rail-to-rail output, domestic products lag behind international standards, and high-precision operational amplifiers still heavily rely on imports.
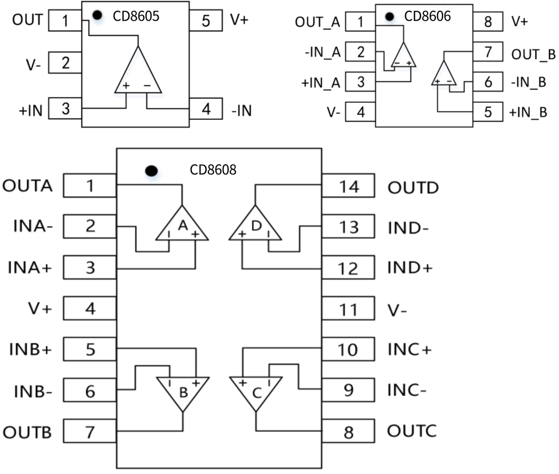
2、Product overview: a breakthrough in the localization of high precision operation amplification
The CD8605, CD8606, and CD8608 series of operational amplifiers from CoreadDvices Microelectronics are designed for precision signal conditioning, featuring ultra-low offset, extremely low bias current, and wide temperature stability. These amplifiers come in single-channel (CD8605), dual-channel (CD8606), and quad-channel (CD8608) configurations, available in SOT-23, MSOP, TSSOP, and other packaging options. They operate within a temperature range of-40℃ to +125℃, meeting the reliability requirements for high-end applications such as industrial and medical use.
1、Core technology characteristics: Product advantages
l Low power consumption: Low static current helps save energy and is very beneficial for portable devices and battery-powered applications.
l High precision output quality control ensures that the signal generator can provide accurate amplification and signal processing, ensuring high precision and high quality of the output signal.
l Wide input voltage range: can operate normally in a wide voltage range, increasing the flexibility of applications.
l Good stability: can maintain stable performance under various working conditions, including temperature changes.
l Diverse packaging: There are usually multiple packaging options available. CD8605 and CD8606 support WLCSP packaging, which facilitates integration into different circuits.
2、Core technology features: a perfect balance between high precision and adaptability
2.1 Direct current accuracy: the cornerstone of weak signal amplification
l Low voltage offset: the typical value is 20μV when the maximum 65μV(VS=3.5V and VCM=3V are combined with the typical temperature drift of 1μV/℃ (-40℃~+125℃), which effectively suppresses the zero drift problem in sensor signal conditioning.
l Ultra-low input bias current: up to 1pA (typical value 0.2pA), much lower than traditional op-amps, suitable for photoelectric diodes, capacitive sensors and other high impedance signal sources, to avoid measurement errors caused by current leakage.
l High common mode rejection ratio: 100dB (VCM=0V to 5V) reduces the effect of common mode interference on weak signals in industrial environments.
2.2 Dynamic performance: dual guarantee of bandwidth and low noise
l 8.7MHz Gain Bandwidth Product (GBW): Supports audio (below 20kHz), industrial control and other medium and high frequency applications, and a voltage conversion rate (SR) of 5V/μs ensures low distortion characteristics for large signal inputs.
l Low noise characteristics: voltage noise density of 12nV/√Hz (typical value of 8nV/√Hz) at 1kHz, current noise density of 0.01pA/√Hz, suitable for medical electrocardiogram signals, weak sound wave acquisition and other noise-sensitive scenarios.
2.3 Power supply and interface: wide adaptability design
l 2.7V~5.5V Single power supply: compatible with lithium battery (3.7V) and industrial logic power supply (5V), typical power consumption per channel is 0.8mA (IOUT=0mA), suitable for portable devices.
l Track-to-track input/output: The input range covers 0V to the power supply voltage, and the output swing reaches 4.98V@5V supply (1mA load), which simplifies the level matching design and improves the dynamic range.
2.4 Packaging and selection: optimization of miniaturization and functional integration
|
model |
number of channels |
Packaging type |
Size advantage |
Application reference |
|
CD8605 |
single channel |
SOT-23-5/WLCSP-5 |
SOT-23 is about 2.9mm×2.8mm |
Small sensor front end, wearable devices |
|
CD8606 |
binary channels |
MSOP-8/SOP-8/WLCSP-8 |
WLCSP-8 is about 1.5mm×1.5mm |
Stereo amplification and differential signal acquisition |
|
CD8608 |
four channels |
TSSOP-14/SOP-14 |
TSSOP-14 is approximately 5mm×6.4mm |
Industrial multi-channel control and data acquisition system |
2.5 Reliability design: rigorous verification of industrial-grade standards
l Wide temperature working capacity: -40℃ ~ +125℃ working temperature range, can meet the high requirements of extreme environment in many fields such as iron and steel metallurgy, automotive electronics, etc., and the junction temperature range is-65℃ ~ +150℃ to ensure long-term stable operation.
l Thermal management optimization: SOT-23-5 package thermal resistance 240℃/W, MSOP-8 thermal resistance 206℃/W, combined with 300℃ welding temperature tolerance (60s), perfectly suitable for automated welding process.
l Electrical protection: the maximum power supply voltage is 6V, the differential input voltage is 6V, and the input voltage range covers the positive and negative rails of the power supply, effectively preventing the damage of devices under abnormal working conditions.
3. Application scenarios: Precision signal processing in multiple fields
1. Sensor signal conditioning: In industrial automation control systems, CD8605, CD8606, and CD8608 can amplify signals from various sensors, such as pressure, temperature, and displacement sensors. By amplifying and conditioning these sensor signals, the accuracy and reliability of the signals are significantly enhanced, facilitating subsequent signal processing and analysis.
2. Medical equipment and instruments: In medical devices, such as electrocardiogram machines, blood pressure monitors, and glucose meters, high precision and stability are required. CD8605, CD8606, and CD8608 can be used for the analog front-end circuits of these devices to amplify and process the physiological signals collected, ensuring accurate and error-free measurement results.
3. In the automotive electronics sector, CD8605, CD8606, and CD8608 are widely used in components such as in-vehicle infotainment systems, electronic control units (ECUs), and sensors. For instance, in the engine control system of a car, these products can amplify signals from oxygen sensors, temperature sensors, and other components, providing precise data for engine control.
4. Communication equipment: In communication equipment, such as mobile phones, base stations, routers, etc., CD8605, CD8606, CD8608 can be used for signal amplification, filtering, modulation and demodulation circuits. Its low noise and high gain characteristics help to improve the quality of communication signals and transmission distance.
5. Consumer electronics: In consumer electronics, such as smartphones, tablets and digital cameras, CD8605 is used in a variety of circuits such as audio amplification, display driving and sensor signal processing. Its low power consumption and high performance can meet the requirements of consumer electronics for battery life and user experience.
6. Industrial Control and Automation: In industrial control systems, the CD8605, CD8606, and CD8608 units are responsible for the acquisition, processing, and output control of analog signals. For example, in the input/output module of a programmable logic controller (PLC), CD8605, CD8606, and CD8608 can be used to amplify external signals to improve system reliability and anti-interference capability.
